|
Код
|
000023478 |
|
Модель
|
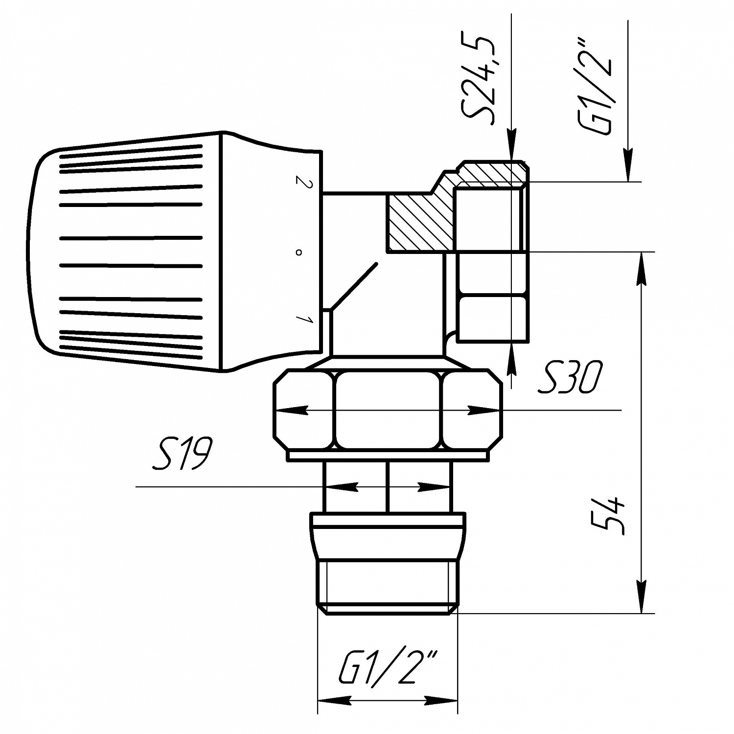
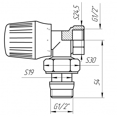
Кран радіаторний кутовий Q PROFESSIONAL 1/2″ NV-QP5005 вентильний з ущільнювачем |
|
Країна
|
Китай |
|
Об'єм виробу, м3
|
0.000188 |
|
Країна реєстрації
|
Україна |
Технічні характеристики:
Тип з'єднання, різьба: внутрішнє/зовнішнє
Діаметр різьблення: 1/2″
Тип: кутовий
Номінальний прохід - Ду (Dn): 15 мм
Номінальний тиск: 10 бар
Діапазон регулювання температури приміщення від 6˚C до 28˚C
Максимальна температура: 110˚C
Матеріал: латунь марки CW 617N
100% продукції перевіряється на герметичність.
Кран радіаторний Q PROFESSIONAL виробляється на польському обладнанні для європейських компаній в Китаї на основі новітніх технологій, найкращих матеріалів, завдяки чому є надійними та міцними у процесі їх експлуатації.
Крани для радіаторів призначені для застосування в опалювальних системах, де не передбачено регулювання температури за допомогою термостатичних головок, що встановлюються на сталеві та алюмінієві радіатори опалення.
Кран для радіатора кутовий Q PROFESSIONAL призначений для регулювання теплового режиму опалювального приладу в ручному режимі шляхом зміни кількості теплоносія від нуля до величини, визначеної цим налаштувальним краном.
Крани Q PROFESSIONAL можуть використовуватися на трубопроводах систем питного та господарського питного призначення, гарячого водопостачання, а також на технологічних трубопроводах, що транспортують рідини, не агресивні до матеріалів клапана.
Радіаторний кран унеможливлює виникнення гідравлічного удару при заповненні водою порожнього радіатора.
Кран радіаторний Q PROFESSIONAL виконаний з високоякісного матеріалу, корпус виконаний з високоякісної гаряче штампованої латуні, зовнішнє покриття – хромоване. Ручка вентиля виконана з ударостійкого пластику.
Наявність напівзгону дозволяє монтувати та демонтувати клапан без демонтажу трубопроводу.
Продукція бренду Q PROFESSIONAL чудово зарекомендувала себе на ринку України як вироби, що відповідають європейським стандартам якості.
Для виготовлення кранів для радіатора використається латунь марки CW 617N.
Зовнішня герметичність крана забезпечується подвійним кільцевим ущільненням штока.
Герметичність крана та сполучної муфти забезпечується ущільненням NBR.
Оформити замовлення в інтернет-магазині YAGO просто:
- вибираємо необхідний товар у потрібній кількості (Зверніть увагу на вимірювання кількості: штуки, квадратні метри або погонні і т.д.)
- додаємо товар у кошик (Після додавання ви побачите загальну суму)
- Додаємо наступні товари в тій же послідовності, всі додані товари будуть відображені в кошику!
Далі перейдіть в Кошик та натисніть на «Швидке замовлення» або «Оформити замовлення».
Виберіть зручний спосіб для оплати вашого замовлення в інтернет-магазині / магазині Yago:
1) Готівковий розрахунок при отриманні товару у поштовому відділенні або у склад-магазині Yago. Є можливість замовити адресну доставку у вашому місті (Доставка у Дніпрі та Миргороді до під'їзду безкоштовно, наш спеціаліст зв'яжеться з вами для уточнення інформації). Ви отримуєте рахунок та підписуєте видаткові документи при отриманні товару.
2) Безналичный расчет при оформлении и самовывозе в інтернет-магазині / склад-магазині Yago:
- Оплата згідно з рахунком на реквізити по рахунку (Офіційна пошта отримання товарного чека представлена на сайті)
- Оплата на картки MasterCard та Visa ( З офіційної пошти Yago / менеджера компанії )
3) Електронні системи оплати: PayPal та ін. (Ви втрачаєте комісію при оплаті, уточнюйте у менеджера компанії).
4) При купівлі юридичної особи (Безпека), зв'яжіться з нашим менеджером для уточнення інформації, ціни представлені в інтернет-магазині вказані без ПДВ.
Для економії вашого часу просимо ознайомитись з можливими умовами доставки:
1) Самовивіз зі склад-магазину Yago.2) Доставка поштовою службою по території України (Нова пошта, Делівері, УкрПошта, Нічний експрес, Міст Експрес).
3) Попутна машина (наші машини їздять територією України, уточнюйте у менеджерів).
Нюанси:
- Не всі склади підтримують товар, який ви запитуєте.- Не у всіх містах є поштові служби (уточніть у менеджера компанії).
Бій товару
Якщо до вас приїхав товар у битому стані:- Варто скласти акт бою товару.
- Повідомте вашого менеджера.
Ми надішлемо вам товар повторно, а витрати за бій товару менеджер вирішить самостійно.
Ми йдемо назустріч нашим клієнтам та зробимо все можливе для вашої зручності та економії ваших грошей!
🚚 Доставка Кран радіаторний кутовий Q PROFESSIONAL 1/2″ NV-QP5005 вентильний з ущільнювачем по Україні
- Доставка Кран радіаторний кутовий Q PROFESSIONAL 1/2″ NV-QP5005 вентильний з ущільнювачем у Київ
- Доставка Кран радіаторний кутовий Q PROFESSIONAL 1/2″ NV-QP5005 вентильний з ущільнювачем у Харків
- Доставка Кран радіаторний кутовий Q PROFESSIONAL 1/2″ NV-QP5005 вентильний з ущільнювачем у Дніпро
- Доставка Кран радіаторний кутовий Q PROFESSIONAL 1/2″ NV-QP5005 вентильний з ущільнювачем у Одеса
- Доставка Кран радіаторний кутовий Q PROFESSIONAL 1/2″ NV-QP5005 вентильний з ущільнювачем у Львів
- Доставка Кран радіаторний кутовий Q PROFESSIONAL 1/2″ NV-QP5005 вентильний з ущільнювачем у Запоріжжя
- Доставка Кран радіаторний кутовий Q PROFESSIONAL 1/2″ NV-QP5005 вентильний з ущільнювачем у Вінниця
- Доставка Кран радіаторний кутовий Q PROFESSIONAL 1/2″ NV-QP5005 вентильний з ущільнювачем у Житомир
- Доставка Кран радіаторний кутовий Q PROFESSIONAL 1/2″ NV-QP5005 вентильний з ущільнювачем у Полтава
- Доставка Кран радіаторний кутовий Q PROFESSIONAL 1/2″ NV-QP5005 вентильний з ущільнювачем у Рівне
- Доставка Кран радіаторний кутовий Q PROFESSIONAL 1/2″ NV-QP5005 вентильний з ущільнювачем у Тернопіль
- Доставка Кран радіаторний кутовий Q PROFESSIONAL 1/2″ NV-QP5005 вентильний з ущільнювачем у Черкаси
- Доставка Кран радіаторний кутовий Q PROFESSIONAL 1/2″ NV-QP5005 вентильний з ущільнювачем у Чернігів
- Доставка Кран радіаторний кутовий Q PROFESSIONAL 1/2″ NV-QP5005 вентильний з ущільнювачем у Чернівці
- Доставка Кран радіаторний кутовий Q PROFESSIONAL 1/2″ NV-QP5005 вентильний з ущільнювачем у Івано-Франківськ
- Доставка Кран радіаторний кутовий Q PROFESSIONAL 1/2″ NV-QP5005 вентильний з ущільнювачем у Ужгород
- Доставка Кран радіаторний кутовий Q PROFESSIONAL 1/2″ NV-QP5005 вентильний з ущільнювачем у Миколаїв
- Доставка Кран радіаторний кутовий Q PROFESSIONAL 1/2″ NV-QP5005 вентильний з ущільнювачем у Херсон
- Доставка Кран радіаторний кутовий Q PROFESSIONAL 1/2″ NV-QP5005 вентильний з ущільнювачем у Хмельницький
- Доставка Кран радіаторний кутовий Q PROFESSIONAL 1/2″ NV-QP5005 вентильний з ущільнювачем у Суми
- Доставка Кран радіаторний кутовий Q PROFESSIONAL 1/2″ NV-QP5005 вентильний з ущільнювачем у Луцьк
- Доставка Кран радіаторний кутовий Q PROFESSIONAL 1/2″ NV-QP5005 вентильний з ущільнювачем у Кропивницький

